DIY Conductivity Probe/Meter

Sure

There is a archive of not existing site.

Link

I want to build a EC meter based on schemas on this site, schemas are available and that is good information, bad i that the files with the eagle board was on different server and it was not stored on web.archive.org
There is no sense to develop board from a scratch if someone already do this and it works fine.
 
I start to build it on a universal board, first module on first amplifier that is wien bridge oscillator, so far so good, seems to work.
 

Attachments

  • IMG_20151125_224705.jpg
    IMG_20151125_224705.jpg
    59.7 KB · Views: 15
nice
i have build this as part of the research i did into the EC meter
i can confirm that it works (i remember finding a problem with the schematic but not sure)
let me know if you have any problems with it and ill dig up the research i did and how i got arround it.
i didn't use this in the end because of some linearity issues and also it was a bit of a fiddle to get it in range but it does work
good luck with it.
what do you plan to do with the output?
are you going to implement temperature compensation?
galvanic insulation?
 
bogdanaioane:

I find more than one error in schema :) but device works, i made my custom probe and finish the project. I will connect it to WAGO PLC controller, I will compensate temperature by software way in controller. There will be no galvanic insulation but, I add low pass filter and diode voltage limiter like author suggested.
Like You can see in the movie, measurement are almost equal to the commercial EC, and very stable.

https://youtu.be/j6NUx3WN2F8

It is EU measurement scale, so 1uS is 0.5ppm

My test liquid is 700uS and 342ppm NaCI.
 

Attachments

  • IMG_20151130_010331.jpg
    IMG_20151130_010331.jpg
    55.6 KB · Views: 16
Last edited:
thats great
happy to see it worked out nicely
may i suggest that when you implement the calibration into your controller you isolate the constant K in your equations as the variable that gets changed with the callibration so that you can assess the build of the diy probes and evaluate any drift in the electrode from mineral deposits and such (in other words after the first callibration you will be able to look at this calculated constant and see how close to the intended constant it is and after a subsequent callibration if the constant changes from you orriginal it means that your electrode needs cleaning or conditionning)
Hope it helps
 
I'm not sure but this calibration that You mentioned, need stop measurement that is I should remove my probe from the water, and check that it's still 0V in dry state, if not add the difference between 0 and actual readings in dry state to the calculation, like You say this reading will be constant K. That correct ?
But I thinks that this improvement is not so great because, I still have to stop measurement and dry electrode, if I do this I can also move the potentiometer to set 0V it is no much effort.

I want to build a second one.. to check uS in water for refills, so I still search board files in eagle format that was available on the project origin web page, so i You have it pls share.

Like You see .. universal board is pretty crappy solution, it works but I'm not happy about it.
 

Attachments

  • IMG_20151206_133327.jpg
    IMG_20151206_133327.jpg
    58.6 KB · Views: 16
  • IMG_20151206_133335.jpg
    IMG_20151206_133335.jpg
    63.1 KB · Views: 18
that is one of the reasons i didnt use this design in the end
but you are right this tipe of feature is not much use whe you deal with an analogue aproach. I think that you can stop here and youll be able to do decent measurements.
as for the eagle boards I think you are better off designing them yourself. if you are not confident i can give you a hand. I stopped using published schematics and layouts when i realised that all the stuff i needded to build was never exactly like the published ones as my requirements were always slightly different, plus its very frustating when you prototype something and it doesnst work due to some errors in schematics or differences that appear due to components avaiability and such (you saw for yourelf that the schematic had some errors in it so it stands to reason that most pcb layouts that you might find are not 100%)
give me the requirements of your board and ill see what i can do
ill need to know
-board footprint and mounting holes (a dxf file would be best)
-connectivity to other devices (what kind of sockets plugs and such like)
-power supply and/or regulation (is it going to be on the same board? what voltage are you running this at?)
-output (does it go to some kind of connector or is it going to a chip on the same board?)
-smd or through hole?

since you are wanting to build more than one i would suggest you look at the schematics i posted earlier in the thread as that approach removes any trimers and allows you to do all the calibration in the software together with the ttemperature compensation (the calibration is one point calibration). i can give you the pcb layout of that design and you can prototype it to see how it behaves.

what other sensing capabilities are you looking to add to your system? PH? ORP? DO? Leak Detection?

hope this helps
 
kud3n1993: I do not think so.

bogdanaioane:
I make some test and the measurement quality looks like this

CEC - commercial EC
DEC - DIY EC

Measurement. 1
CEC DEC
45 50
521 495
358 358

Measurement. 2
CEC DEC
48,5 49
514 485
355 360

Measument. 3
CEC DEC
358 355
518 490
55,1 59

Measurement. 4
CEC DEC
357 367
519 485
60 60

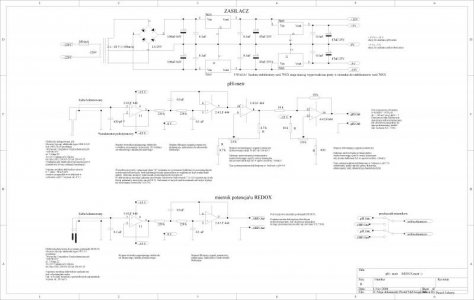
Yes i have another devices, PH meter like on schema in attachment, and i have problem, i have a 4 AI input in my PLC Controller AI module, unfortunately all the inputs have common ground. I hope that if I will supply power to the EC meter and PH meter from the same source (schema of power supply is also attached.), it will be no problem ,but it is.
In EC meter it's possible that ground have some negative potential, and I suppose it is affecting it affecting readings from PH meter. I cannot compensate it by normal PH-meter calibration :-(. Even if the reading are fine in buffered solutions liquids, the actual reading are rubbish. To get PH meter works fine again I have to i unplug the common power source from EC meter (all wires +12,-12, GND) and also the ground wire from PLC Controller. Thanks for You proposition about projecting the board, but I think there is no sense in this situation because I can't connect it to my controller :(
Maybe can You help me in this case ? or maybe You EC meter will be this problem free.
 

Attachments

  • pHmetr1.jpg
    pHmetr1.jpg
    44.5 KB · Views: 17
depending on what you intend to monitor in terms of DTS, your readings are quite OK. I suspect that you are having same issues with signal generation stability as I did. In my tests I noticed that the signal generated was not actually stable enough for the purpose. hence the use of automatic gain control on my sine wave generator.

there is a trick you can try to get correct EC and PH readings while having both measuring system work at the same time. You said that the PH readings are affected by the EC. is the effect constant? As in, do you get stable PH readings? (not correct but stable) if so than you can try to add the TDS probe in the PH buffer solution when you calibrate for PH. This way a shift in mv output of the PH probe will be compensated at calibration. This however does not help with the rest of the stuff that a PH probe is sensitive to like noise from the signal generator of the EC probe, ground loops and transient currents.

My EC meter doesn't have this problem but only because I added galvanic isolation to the circuit. if you were to add some form of galvanic isolation to yours, it will work just as well.

If you decide to add galvanic isolation let me know and ill give you a rundown of some options. its actually pretty easy. its just a couple of components. we would have to look for a good solution for you as your system is slightly different in that you need to isolate differential power and analogue output.
May I ask what made you go for that type of PSU? (its quite good that it gives protection to ground loops as it uses a transformer but there are some other aspects that I think you should be aware of) are you powering your PLC from the same source?

it is a bit sad that you only have 4 inputs on your controller as once you start to develop these things and you have a good foundation in your controller you realize that its quite good to implement more and more into your system so you can have all the benefits that it can bring. Are you able to use an analogue multiplexer and control that with some digital ports on your controller? if not what are the 4 probes you are hoping to implement (im only asking as there might be ways to convert some of them to digital outputs so they don't take up your AIs)

If you would like to discuss the PH circuit we should probably have that discussion in another thread im sure there is one on ReefCentral. if not maybe you can make one. Since you have done your tests and noticed an interference between EC and PH, I take it that you have built the PH circuit already. (if so, when not affected by EC, is the output of your PH system stabile within 0.01PH?)

about designing the board...
not sure what you mean by not being able to connect it to your controller. I would have thought that is exactly the reason to design it custom so that whatever the connection requirements and geometric constrains of your system, you can implement a suitable solution. anyway its up to you. I was just trying to be helpful. Are you putting all your sensing devices in the same box?

Hope this helps
 
In first I want to thank You for Your time and assistance.

I think that calibration method with EC probe and PH probe with the same solution, can works but .. i think it's not the right way to do this and can be cumbersome in long therm.
Galvanic isolation is right way :-) I will be grateful for Your help with this matter.

I'm powering my PLC controller from 24VDC power supply dedicated to automation solutions, also branded by WAGO.

https://eshop.wago.com/JPBC/0_5Star...6?supplierAID=787-602&catalogID=WAGO01&zone=7

My PH meter, and EC meter is powered by 230V to -+12DC transformer plus some voltage stabilizer, like on schema that I added in my previous post.
WAGO is a modular system, I can add more AI input modules.

https://eshop.wago.com/JPBC/0_5Star...ommonPageHandler.jsp&activatedPage=SEARCHPAGE

There is also AI module with galvanic isolation available, but In general the AI input are very, very expensive, for now 4 AI is more than enough, I have only PH and EC meter and 2 free for future use.
About my PH meter, it's quite stable, I compare it to commercial PH meter and the deference was no more than 0.01 - 0.05, it is depending mostly on PH probe I used. I have a couple of them and not all of them have a linear characteristic, more expensive ones are of cause better, that one I from China are rubbish.

By "œim not able to connect it to my controller" I mean that, I not able to get good readings because interference between EC and PH meter, and the good looking board have now lower priority than set all of this works correctly :-)

Yep I would like to put all my sensing devices in one box, yes I'm aware off that could make some interference but :-) I will look nice, and the box is quite big, big enough to fit all.
 
OK
Here are my thoughts:

1. everything should be powered by the same PSU. you should avoid designing a system that requires separate PSU for the sensing modules especially when you employ such a good quality SMPS like the WAGO (I assume it is not cheap either)

2. everything should go in one box with various connectors for probes and such.

3. if at all possible use connectors that will provide good water and humidity isolation. I suggest you look at connectors such as GX16 aviation plugs for everything except high impedance inputs for which you must use BNC. (I have seen what the high corrosive environment inside a marine aquarium sump can do to most connectors)

4. depending on the AI voltage swing of your controller you should implement a isolated dc dc converter with differential voltage output. meaning that you don't need your additional psu at all you just put 24v into the converter and take out +/- 5V or +/-12V or whatever you need for your PH. the same goes for EC (separate dc dc converter) you can choose from a variety of converters. I suggest ebay as you might get cheap ones and then build the rest of the circuit around them. if you were to by new ones they can be as much as 10USD but on ebay you might get 10pcs for 2USD.

5. isolating the analogue channel is achievable with a number of isolators. again you should do some research and see which ones are available to you on the cheap and then build the circuit around them (once you establish which isolator you are using let me know and ill help you design the circuit if needed)
(the need to design custom circuits and boards as I said in a previous post comes from situations like this when you need a dc dc converter and a isolator but you don't want to buy the one found in some schematic somewhere when you can find one at 10% of the cost with slightly different output or pin arrangement)


these are just some thoughts I had about your system. you might agree with them or not. if you decide to go the dc dc converter route and a single psu for the entire system, let me know and ill give more info. If you prefer to stick to the current powering method than we need to find alternatives to dc dc converter or use 2 of them to isolate the differential output of the PSU

Hope this helps
 
I have the same idea :-) that is power it to from WAGO PSU and use a DC-DC converter with galvanic isolation, I do not write about it because I want to know Your idea first, it’s the same like my :-)
I already pick one of DC-DC converters.

http://www.mornsun-power.com/uploads/pdf/A_S-1WR2.pdf

A2415S that is 24VDC to +-15V
I’m not sure that I need any additional voltage stabilisation, I think that LC filter in input and condensator on output of this DC-DC converter (like in catalogue note) should be enough.

About a AI I want to use linear optocoupler, but I do not know with one, and don’t have any practical schema of application, can You help me with this case ?
 
It is look simple but i have a few noob questions :-)

1) What type of amps i should use for U1 an U2
2) How to calculate the R1 and R2
3) From where i should power the amps. U1 from the measurement circuit i suppose, and U2 from another DC-DC isolated converter ?
4) The same situation in pin 3 and 6 of linear optocoupler
 
One of this AD210 cost ~80USD :(
And as far i see the questions are the same to AD210.
I think that i should focus to solve questions from my previous post, schema is preety simple i just have to get some extra info.
 
It is look simple but i have a few noob questions :-)

1) What type of amps i should use for U1 an U2
2) How to calculate the R1 and R2
3) From where i should power the amps. U1 from the measurement circuit i suppose, and U2 from another DC-DC isolated converter ?
4) The same situation in pin 3 and 6 of linear optocoupler

now that I think about it, im not sure this is the best solution for you
Im not sure you get good enough linearity ill research some more

1- not very important. I would suggest TL062 or similar
2- it depends on the input voltage you supply and the output voltage you need
think of it this way: (and this is not an electronically accurate description. im just trying to make you understand the concept)
this isolator has a light emitter at pins 1-2 and photodiodes at pins 3-4 and 5-6if you light up the led at pins 1-2 you get a response at pin 3-4 and 5-6. the response at pin 4 and pin 5 are the same so if one where to use pin 4 as a loop for the op amp then you get a relationship between the input pin 2 and output pin 5. now the amount of current that you get out of pin 4 is related to the gain K1 so if you where to remove R1 altogether it would mean that the voltage that comes out of the first op amp should be in the range of the normal operation of the led inside the isolator. this is almost never the case so this is why you need to put a resistor R1 that controls how much current you need to put in the first op amp to get full saturation of the internal led. (does this make any sense? ) I don't have a formula for you maybe someone else on the forum does?? but i suggest you start with a variable resistor and test
R2 as they say in there is a current to voltage converter and its value has to do with the output voltage you require for your AI (again, start with a 10k pot)
3- U1 should have ISO VCC and ISO GND
pin 3 VCC should be ISO VCC, pin 6 VCC should be normal VCC

Hope this helps
 
Back
Top