i need a little help...LED stuff

lucidvtec

avid Reefer
i'm confused with all the options with the cree's


i want 12 cool white...and 12 royal blues


i want the good one;best ones;


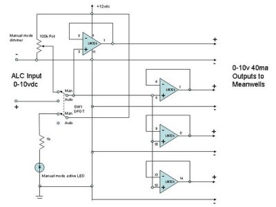
and also i want to use the dimmable meanwell drivers to use with a digital aquatics ALC module ...for the automatic dimming/ramping :)...i already have a RKL

which driver do i get aswell....i think i need one that is 700ma for the royal blues and 1000ma for the Cool whites...i think that right


so pretty much i just need the correct model numbers


i think i read somewhere that i might need to build a circuit to get the ALC mod to work correctly with the meanwells....any ideas there???



thx ahead of time for the help....REEF CENTRAL ROCKS!!!!!

blake
 
Sounds like you want the XPE royal blues and the XPG cool whites with the driver that Kcress advised.
You might check out reefledlights .com They have some pretty nice kits.
 
reefledlights site is pretty confusing...i have been on rapidled before..ok prices...seem to have stuff in stock on the regular


so i got the drivers down i guess.....go with the D one right...thx kcress

i think i'm gonna go with rapidled...good rep and the site is easy to navigate


so here is the list i came up with......mind you this is for a 30 gallon tank..bout 30"long

2) meanwell ELN-60-48D
12) CREE XR-E Royal Blue 3W LED with Black Lens
12) CREE XP-G R5 Cool White 3W LED with 65 degree White Lens


if i have read correctly the XP-g's r the newest bad boys for cree..and i run them at 1000ma...for long life...i guess they can handle 1500ma.... and i run the XR-e's at aroung 750ma

that should give me more than enought light...and i'm only running the drivers and led's at about 70% peak...that way i'm not maxing out either components right????

and from what i read i should not have a problem running just 2 meanwells off the ALC mod...if i ran more i would have to build a little circuit.....from what i read..i should be able to get 9.6volts if i run 2 meanwells off the ALC...i may just build the ciruit anyways just to protect the ALC mod..


the opitics i'm a little confused on....i'm not so worried bout PAR on the bottom of my tank..but i think i plan on having the fixture close to the water like 3-4 inches away....it's bout 17inches to the bottom of the tank...if that i do plan on having some SPS and clams in the future thou...i don't wanna have to add them later.... grr so confused i just don't want shadows.....heat sink is prob gonna be 23x 4.25 ...so that will be plenty of surface area....may not need to run a fan with only 24 of them...and i doubt i will be maxing them out...well at least for awhile


sooo what do you guys think???
 
Go with the XP-E royal blues, now rapid has dropped the prices lower than the XR-Es. The XP-Es are appropriately 20% more efficient. If you are wanting to buy a kit from them just send them an email and they will adjust the price for you. I have 12 XP-G cool whites and 12 XR-E royal blues and it is really closer to a 60/40 if you get XP-Gs and XP-Es it would be closer to 50/50.
 
Go with the XP-E royal blues, now rapid has dropped the prices lower than the XR-Es. The XP-Es are appropriately 20% more efficient. If you are wanting to buy a kit from them just send them an email and they will adjust the price for you. I have 12 XP-G cool whites and 12 XR-E royal blues and it is really closer to a 60/40 if you get XP-Gs and XP-Es it would be closer to 50/50.

hows the color on ur setup....any pix???.....i was thinkin bout mixin in a couple XPG neutral whites...i heard the red can help make them pop!!

thx again peeps
 
Here is a pic of the lights, although I noticed a glare when looking at it.
 

Attachments

  • IMG_4981.jpg
    IMG_4981.jpg
    43.9 KB · Views: 14
I'm using two 48P drivers and 1 DDC-01 controller. I've always been curious if I need a Neptune Apex or similar device on my setup.
 
The D means "Analog". (Ridiculous)
The P means PWM. (Makes sense.)

I don't know any details about the various Aquarium Controllers so I don't know which ELN models would be preferred in the various cases.
 
hows the color on ur setup....any pix???.....i was thinkin bout mixin in a couple XPG neutral whites...i heard the red can help make them pop!!

thx again peeps

I have mine with 56 LEDs (28 XP-E RBs and 28 XP-E CWs). The color is more white than Blue. I run a programmed intensity on my setup to keep it close to blue (~18- 20K) most of the day and at full intesity for 3 hr a day simulating high noon.

Here is my thread with pictures of the tank and fixture:

http://reefcentral.com/forums/showthread.php?t=2011866
 
question.... do you people use flux when ur soldiering ....i always use a flux pin when i have soldiered in the past....makes a super easy clean soldier

will it cause any issue's with these leds???? never had a problem using with sm Leds
 
Can you provide/link info re:circuit to run more than 2 meanwells with ALC module? I am planning on running 3-4.(2-3 30-48D and 1-2 60-48D)

and from what i read i should not have a problem running just 2 meanwells off the ALC mod...if i ran more i would have to build a little circuit.....from what i read..i should be able to get 9.6volts if i run 2 meanwells off the ALC...i may just build the ciruit anyways just to protect the ALC mod..
 
BTW, what are you guys using to cool down the heatsinks? I'm using a 120 Antec fan, but it takes a long time to cool the whole 48 worth of aluminum framing and heatsinks.
 
Back
Top